Loading

Chemical Engineering and Process Techniques

A Zero Liquid Discharge Desalination System Integrating Multi-Effect Distillation, Evaporative Crystallization, and Thermal Vapor Compression

Mini Review | Open Access | Volume 8 | Issue 3

  • 1. Tsinghua Shenzhen International Graduate School, Tsinghua University, China
  • 2. King Abdullah University of Science & Technology, Saudi Arabia
+ Show More - Show Less
Corresponding Authors
Qian Chen, Tsinghua Shenzhen International Graduate School, Tsinghua University, China
Abstract

TBrine is the by-product of desalination processes and contains most of the feed’s salts. Direct discharge of brine will cause severe issues for the environment. Therefore, designing zero liquid discharge desalination (ZLDD) systems has attracted extensive research interests. This paper presents a ZLDD system combining multi-effect distillation (MED), evaporative crystallization (EC), and thermal vapor compression (TVC). Seawater is concentrated to near saturation using two MED units and then salt is separated in the crystallizer. The vapor produced in the crystallizer is compressed to a higher pressure using the TVC, and the mixture of vapor and motive steam serves as the heat source for MED and EC. A thermodynamic analysis is firstly conducted on the proposed system. It takes 0.178 kg of high-pressure steam to desalinate 1 kg of seawater, and the pumping power consumption is 6.8 kJ/kg. Based on energy consumption, the cost of the system is calculated to be $3.51/m3 , with MED plant costs and thermal energy cost being the most important contributor.

Keywords

• Zero liquid discharge desalination

• Multi-effect distillation

• Evaporative crystallization

• Thermal vapor compression

CITATION

Chen Q, Ng KC (2023) A Zero Liquid Discharge Desalination System Integrating Multi-Effect Distillation, Evaporative Crystallization, and Thermal Vapor Compression. Chem Eng Process Tech 8(3): 1083.

INTRODUCTION

With growing global water consumption, desalination has become an important source of freshwater supply [1]. A new challenge brought up by the desalination industry is brine management. Most of the desalination plants can only separate a certain portion of freshwater from seawater [2-4]. The remaining stream is named the brine, and it contains most of the feed’s dissolved salts as well as pretreatment chemicals. Direct discharge of brine into the environment will cause negative impacts on the soil, water body, and aquarium ecosystems. With government legislation on brine discharge getting stricter, designing zero liquid discharge desalination (ZLDD) has gained much attention. ZLDD aims at completely separating seawater into freshwater and dry salts. It not only eliminates the need for brine discharge but also allows the recovery of valuable salts.

Several ZLDD systems have been reported in the literature. Most of them are based on conventional evaporative desalination processes and crystallization systems, such as membrane distillation crystallization (MDC) systems [5-9], multi-effect distillation/thermal vapor compression system (MED-TVC) [10], and mechanical vapor recompression (MVR) [11]. Most of them face the challenges of high energy intensity, high initial and operational costs, and high scaling and fouling issues.

This paper presents a novel ZLDD system consisting of two MED units and one evaporative crystallizer (EC). Seawater is firstly concentrated in the two MED units until its concentration approaches the solubility limit. Then the concentrated brine is supplied to the crystallizer for complete separation of water and salt. The vapor produced in the crystallizer is compressed to a higher pressure and temperature using a thermal vapor compressor (steam ejector), and the mixture of the vapor and the motive steam is used as the heat source of the three subsystems. Employment of the steam ejector not only simplifies the system design but also reduces heat consumption, which finally leads to a lower desalination cost.

SYSTEM DESCRIPTION

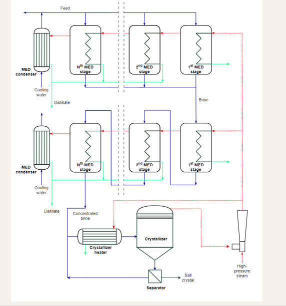
Figure 1 shows the schematic of the proposed zero liquid discharge desalination system.

Figure 1 Schematic of the proposed zero liquid discharge desalination (ZLDD) system integrating MED, EC, and TVC

Figure 1: Schematic of the proposed zero liquid discharge desalination (ZLDD) system integrating MED, EC, and TVC

It consists of two MED units, an evaporative crystallizer and a thermal vapor compression (jet ejector). The first MED has eight effects and employs parallel-feed configuration. It recovers ~50% of freshwater from seawater. The brine is directed to the second MED (forward-feed configuration, five effects) to be further concentrated to near saturation. The concentrated brine is finally fed to the evaporative crystallizer, where further evaporation is induced and brine reaches the super saturation state. As a result, salt precipitation takes place and crystals are formed. The vapor produced in the crystallizer is entrained into the ejector using high-pressure steam. The mixture of vapor and steam is discharged at moderate pressure and temperature, which constitutes the heat sources for the two MED units and the crystallizer.

METHODOLOGY

The performance of the proposed system is evaluated numerically. A thermodynamic analysis is firstly conducted by considering the heat and mass balances in each component.

Based on the calculated productivity and energy consumption, the specific cost for zero liquid discharge desalination is calculated by considering the initial and the operational and maintenance costs. The detailed model can be found in our previous publication [12].

RESULTS AND DISCUSSION

For demonstration purposes, the seawater flowrate is considered to be 1 kg/s and the salinity is 35 g/kg. Brine salinity leaving the first and the second MED units are designed to be 70 g/kg and 260 g/kg, respectively. Steam at 15 bar is employed as the heat source, and the discharge pressure and temperature for TVC are 75 ? and 38.6 kPa, respectively. Figure 2 shows the flow rates of different streams entering and leaving each subsystem.

Figure 2 Mass flow of different steams

Figure 2: Mass flow of different steams

Heating steam requirements in the two MED units and the crystallizer are 0.1, 0.078, and 0.098 kg/s, respectively, while vapor is produced in the crystallizer at 42.3 ?/8.3 kPa. The motive steam flowrate in the ejector is 0.178 kg/s, and the corresponding entrainment ratio of the ejector is 0.55.

Cooling water flow rates in the MED condensers are considered to be 10 kg/s. Pressure drops for MED feed, cooling water and crystallizer recirculation stream are 0.5, 2, and 1.5 bar, respectively, while pumping efficiency is 70%. Based on these assumptions, electricity consumption for pumping is estimated to be 6.8 kJ/kg.

Employing the results of the thermodynamic simulation, the final cost is estimated. Table 1 summarizes the economic assumptions and the final desalination cost. Cost for MED plants and the ejector is adopted from [10], while crystallizer cost is acquired from [12]. The final cost is calculated to be $3.51 for treating per m3 of seawater.The cost breakdown is presented in Figure 3.

Table 1: Summary of economic analysis

Parameter

Unit

Value

Seawater flowrate

kg/s

1

Seawater salinity

g/kg

35

Heat transfer area

m2

321.16

Steam consumption

kg/kgfeed

0.18

Electricity consumption

kJ/kgfeed

6.8

Steam cost

$/ton

8.00

Electricity cost

$/kWh

0.065

Interest rate

%

5%

Plant lifespan

year

30

Plant availability

%

90%

Desalination cost

$/m3

3.51

Figure 3 Cost breakdown of the proposed ZLDD system

Figure 3: Cost breakdown of the proposed ZLDD system

The initial cost is around $1.8/m3, with MED plant cost being the largest contributor. The O&M cost is a bit lower than the initial cost (~$1.6/m3), and it is mostly contributed by the thermal energy cost. Further reduction of the cost can be achieved via designing cost-effective MED units, reducing heat consumption, and employing low-price heat sources.

CONCLUSIONS

A novel zero liquid discharge desalination (ZLDD) system consisting of multi-effect distillation (MED), evaporative crystallization (EC), and thermal vapor compression (TVC) has been evaluated. Thermodynamic analysis reveals that it takes 0.178 kg high-pressure steam to desalinate 1 kg of seawater, and the pumping power consumption is 6.8 kJ/kg. The life-cycle cost of the system is calculated to be $3.51/m3, which is mainly attributed to MED plant costs and steam cost. Cost reduction can be achieved via designing cost-effective MED units, reducing heat consumption, and employing low-price heat sources.

REFERENCES
  1. Virgili F, Pankratz T, Gasson J. IDA Desalination Yearbook 2015-2016.2016: Media Analytics Limited.
  2. Shahzad MW, Burhan M, Ng KC. Pushing desalination recovery to the maximum limit: Membrane and thermal processes integration.Desalination. 2017; 416: 54-64.
  3. Chen Q, Li Y, Chua K. On the thermodynamic analysis of a novel low- grade heat driven desalination system. Ener Conver Manag. 2016; 128: 145-159.
  4. Chen Q, Chua KJ. A spray assisted low-temperature desalination technology, in Emerging technologies for sustainable desalination handbook. Elsevier. 2018; 255-284.
  5. Lu KJ, Cheng ZL, Chang J, Luo L, Chung TS. Design of zero liquid discharge desalination (ZLDD) systems consisting of freeze desalination, membrane distillation, and crystallization powered by green energies. Desalination. 2019; 458: 66-75.
  6. Nakoa K, Rahaoui K, Date A, Akbarzadeh A. Sustainable zero liquid discharge desalination (SZLDD). Solar Energy. 2016; 135: 337-347.
  7. Guo H, Ali HM, Hassanzadeh A. Simulation study of flat-sheet air gap membrane distillation modules coupled with an evaporative crystallizer for zero liquid discharge water desalination. Appl Therm Engineer. 2016; 108: 486-501.
  8. Guan G, Wang R, Wicaksana F, Yang X, Fane AG. Analysis of membrane distillation crystallization system for high salinity brine treatment with zero discharge using Aspen flow sheet simulation. Indust Engineer Chem Res. 2012; 51: 13405-13413.
  9. Julian H, Meng S, Li H, Ye Y, Chen V. Effect of operation parameters on the mass transfer and fouling in submerged vacuum membrane distillation crystallization (VMDC) for inland brine water treatment. J Membra Sci. 2016; 520: 679-692.
  10. Panagopoulos A. Process simulation and techno-economic assessment of a zero liquid discharge/multi-effect desalination/ thermal vapor compression (ZLD/MED/TVC) system. Int J Ener Res. 2020; 44: 473-495.
  11. Onishi VC, Carrero-Parreno A, Reyes-Labarta JA, Fraga ES, Caballero JA. Desalination of shale gas produced water: A rigorous design approach for zero-liquid discharge evaporation systems. J Clean Produ. 2017; 140: 1399-1414.
  12. Chen Q, Burhan M, Shahzad MW, Ybyraiymkul D, Akhtar FH, Li Y, et al. A zero liquid discharge system integrating multi-effect distillation and evaporative crystallization for desalination brine treatment. Desalination. 2021; 502: 114928.

Chen Q, Ng KC (2023) A Zero Liquid Discharge Desalination System Integrating Multi-Effect Distillation, Evaporative Crystallization, and Thermal Vapor Compression. Chem Eng Process Tech 8(3): 1083.

Received : 02 Nov 2023
Accepted : 27 Dec 2023
Published : 29 Dec 2023
Journals
Annals of Otolaryngology and Rhinology
ISSN : 2379-948X
Launched : 2014
JSM Schizophrenia
Launched : 2016
Journal of Nausea
Launched : 2020
JSM Internal Medicine
Launched : 2016
JSM Hepatitis
Launched : 2016
JSM Oro Facial Surgeries
ISSN : 2578-3211
Launched : 2016
Journal of Human Nutrition and Food Science
ISSN : 2333-6706
Launched : 2013
JSM Regenerative Medicine and Bioengineering
ISSN : 2379-0490
Launched : 2013
JSM Spine
ISSN : 2578-3181
Launched : 2016
Archives of Palliative Care
ISSN : 2573-1165
Launched : 2016
JSM Nutritional Disorders
ISSN : 2578-3203
Launched : 2017
Annals of Neurodegenerative Disorders
ISSN : 2476-2032
Launched : 2016
Journal of Fever
ISSN : 2641-7782
Launched : 2017
JSM Bone Marrow Research
ISSN : 2578-3351
Launched : 2016
JSM Mathematics and Statistics
ISSN : 2578-3173
Launched : 2014
Journal of Autoimmunity and Research
ISSN : 2573-1173
Launched : 2014
JSM Arthritis
ISSN : 2475-9155
Launched : 2016
JSM Head and Neck Cancer-Cases and Reviews
ISSN : 2573-1610
Launched : 2016
JSM General Surgery Cases and Images
ISSN : 2573-1564
Launched : 2016
JSM Anatomy and Physiology
ISSN : 2573-1262
Launched : 2016
JSM Dental Surgery
ISSN : 2573-1548
Launched : 2016
Annals of Emergency Surgery
ISSN : 2573-1017
Launched : 2016
Annals of Mens Health and Wellness
ISSN : 2641-7707
Launched : 2017
Journal of Preventive Medicine and Health Care
ISSN : 2576-0084
Launched : 2018
Journal of Chronic Diseases and Management
ISSN : 2573-1300
Launched : 2016
Annals of Vaccines and Immunization
ISSN : 2378-9379
Launched : 2014
JSM Heart Surgery Cases and Images
ISSN : 2578-3157
Launched : 2016
Annals of Reproductive Medicine and Treatment
ISSN : 2573-1092
Launched : 2016
JSM Brain Science
ISSN : 2573-1289
Launched : 2016
JSM Biomarkers
ISSN : 2578-3815
Launched : 2014
JSM Biology
ISSN : 2475-9392
Launched : 2016
Archives of Stem Cell and Research
ISSN : 2578-3580
Launched : 2014
Annals of Clinical and Medical Microbiology
ISSN : 2578-3629
Launched : 2014
JSM Pediatric Surgery
ISSN : 2578-3149
Launched : 2017
Journal of Memory Disorder and Rehabilitation
ISSN : 2578-319X
Launched : 2016
JSM Tropical Medicine and Research
ISSN : 2578-3165
Launched : 2016
JSM Head and Face Medicine
ISSN : 2578-3793
Launched : 2016
JSM Cardiothoracic Surgery
ISSN : 2573-1297
Launched : 2016
JSM Bone and Joint Diseases
ISSN : 2578-3351
Launched : 2017
JSM Bioavailability and Bioequivalence
ISSN : 2641-7812
Launched : 2017
JSM Atherosclerosis
ISSN : 2573-1270
Launched : 2016
Journal of Genitourinary Disorders
ISSN : 2641-7790
Launched : 2017
Journal of Fractures and Sprains
ISSN : 2578-3831
Launched : 2016
Journal of Autism and Epilepsy
ISSN : 2641-7774
Launched : 2016
Annals of Marine Biology and Research
ISSN : 2573-105X
Launched : 2014
JSM Health Education & Primary Health Care
ISSN : 2578-3777
Launched : 2016
JSM Communication Disorders
ISSN : 2578-3807
Launched : 2016
Annals of Musculoskeletal Disorders
ISSN : 2578-3599
Launched : 2016
Annals of Virology and Research
ISSN : 2573-1122
Launched : 2014
JSM Renal Medicine
ISSN : 2573-1637
Launched : 2016
Journal of Muscle Health
ISSN : 2578-3823
Launched : 2016
JSM Genetics and Genomics
ISSN : 2334-1823
Launched : 2013
JSM Anxiety and Depression
ISSN : 2475-9139
Launched : 2016
Clinical Journal of Heart Diseases
ISSN : 2641-7766
Launched : 2016
Annals of Medicinal Chemistry and Research
ISSN : 2378-9336
Launched : 2014
JSM Pain and Management
ISSN : 2578-3378
Launched : 2016
JSM Women's Health
ISSN : 2578-3696
Launched : 2016
Clinical Research in HIV or AIDS
ISSN : 2374-0094
Launched : 2013
Journal of Endocrinology, Diabetes and Obesity
ISSN : 2333-6692
Launched : 2013
Journal of Substance Abuse and Alcoholism
ISSN : 2373-9363
Launched : 2013
JSM Neurosurgery and Spine
ISSN : 2373-9479
Launched : 2013
Journal of Liver and Clinical Research
ISSN : 2379-0830
Launched : 2014
Journal of Drug Design and Research
ISSN : 2379-089X
Launched : 2014
JSM Clinical Oncology and Research
ISSN : 2373-938X
Launched : 2013
JSM Bioinformatics, Genomics and Proteomics
ISSN : 2576-1102
Launched : 2014
JSM Chemistry
ISSN : 2334-1831
Launched : 2013
Journal of Trauma and Care
ISSN : 2573-1246
Launched : 2014
JSM Surgical Oncology and Research
ISSN : 2578-3688
Launched : 2016
Annals of Food Processing and Preservation
ISSN : 2573-1033
Launched : 2016
Journal of Radiology and Radiation Therapy
ISSN : 2333-7095
Launched : 2013
JSM Physical Medicine and Rehabilitation
ISSN : 2578-3572
Launched : 2016
Annals of Clinical Pathology
ISSN : 2373-9282
Launched : 2013
Annals of Cardiovascular Diseases
ISSN : 2641-7731
Launched : 2016
Journal of Behavior
ISSN : 2576-0076
Launched : 2016
Annals of Clinical and Experimental Metabolism
ISSN : 2572-2492
Launched : 2016
Clinical Research in Infectious Diseases
ISSN : 2379-0636
Launched : 2013
JSM Microbiology
ISSN : 2333-6455
Launched : 2013
Journal of Urology and Research
ISSN : 2379-951X
Launched : 2014
Journal of Family Medicine and Community Health
ISSN : 2379-0547
Launched : 2013
Annals of Pregnancy and Care
ISSN : 2578-336X
Launched : 2017
JSM Cell and Developmental Biology
ISSN : 2379-061X
Launched : 2013
Annals of Aquaculture and Research
ISSN : 2379-0881
Launched : 2014
Clinical Research in Pulmonology
ISSN : 2333-6625
Launched : 2013
Journal of Immunology and Clinical Research
ISSN : 2333-6714
Launched : 2013
Annals of Forensic Research and Analysis
ISSN : 2378-9476
Launched : 2014
JSM Biochemistry and Molecular Biology
ISSN : 2333-7109
Launched : 2013
Annals of Breast Cancer Research
ISSN : 2641-7685
Launched : 2016
Annals of Gerontology and Geriatric Research
ISSN : 2378-9409
Launched : 2014
Journal of Sleep Medicine and Disorders
ISSN : 2379-0822
Launched : 2014
JSM Burns and Trauma
ISSN : 2475-9406
Launched : 2016
Annals of Clinical Cytology and Pathology
ISSN : 2475-9430
Launched : 2014
JSM Allergy and Asthma
ISSN : 2573-1254
Launched : 2016
Journal of Neurological Disorders and Stroke
ISSN : 2334-2307
Launched : 2013
Annals of Sports Medicine and Research
ISSN : 2379-0571
Launched : 2014
JSM Sexual Medicine
ISSN : 2578-3718
Launched : 2016
Annals of Vascular Medicine and Research
ISSN : 2378-9344
Launched : 2014
JSM Biotechnology and Biomedical Engineering
ISSN : 2333-7117
Launched : 2013
Journal of Hematology and Transfusion
ISSN : 2333-6684
Launched : 2013
JSM Environmental Science and Ecology
ISSN : 2333-7141
Launched : 2013
Journal of Cardiology and Clinical Research
ISSN : 2333-6676
Launched : 2013
JSM Nanotechnology and Nanomedicine
ISSN : 2334-1815
Launched : 2013
Journal of Ear, Nose and Throat Disorders
ISSN : 2475-9473
Launched : 2016
JSM Ophthalmology
ISSN : 2333-6447
Launched : 2013
Journal of Pharmacology and Clinical Toxicology
ISSN : 2333-7079
Launched : 2013
Annals of Psychiatry and Mental Health
ISSN : 2374-0124
Launched : 2013
Medical Journal of Obstetrics and Gynecology
ISSN : 2333-6439
Launched : 2013
Annals of Pediatrics and Child Health
ISSN : 2373-9312
Launched : 2013
JSM Clinical Pharmaceutics
ISSN : 2379-9498
Launched : 2014
JSM Foot and Ankle
ISSN : 2475-9112
Launched : 2016
JSM Alzheimer's Disease and Related Dementia
ISSN : 2378-9565
Launched : 2014
Journal of Addiction Medicine and Therapy
ISSN : 2333-665X
Launched : 2013
Journal of Veterinary Medicine and Research
ISSN : 2378-931X
Launched : 2013
Annals of Public Health and Research
ISSN : 2378-9328
Launched : 2014
Annals of Orthopedics and Rheumatology
ISSN : 2373-9290
Launched : 2013
Journal of Clinical Nephrology and Research
ISSN : 2379-0652
Launched : 2014
Annals of Community Medicine and Practice
ISSN : 2475-9465
Launched : 2014
Annals of Biometrics and Biostatistics
ISSN : 2374-0116
Launched : 2013
JSM Clinical Case Reports
ISSN : 2373-9819
Launched : 2013
Journal of Cancer Biology and Research
ISSN : 2373-9436
Launched : 2013
Journal of Surgery and Transplantation Science
ISSN : 2379-0911
Launched : 2013
Journal of Dermatology and Clinical Research
ISSN : 2373-9371
Launched : 2013
JSM Gastroenterology and Hepatology
ISSN : 2373-9487
Launched : 2013
Annals of Nursing and Practice
ISSN : 2379-9501
Launched : 2014
JSM Dentistry
ISSN : 2333-7133
Launched : 2013
Author Information X