Loading

JSM Environmental Science and Ecology

Minerals, Energy and Water from the Sea: A New Strategy for Zero Liquid Discharge in Desalination

Short Note | Open Access | Volume 3 | Issue 2

  • 1. Institute on Membrane Technology (ITM-CNR), National Research Council, Italy
  • 2. Department of Environmental and Chemical Engineering, University of Calabria, Italy
  • 3. Department of WCU Energy Engineering, Hanyang University, South Korea
  • 4. Center of Excellence in Desalination Technology, King Abdulaziz University, Jeddah Saudi Arabia
+ Show More - Show Less
Corresponding Authors
F. Macedonio, Institute on Membrane Technology (ITM-CNR), National Research Council, c/o The University of Calabria, Cubo 17C, Via Pietro Bucci, 87036 Rende CS, Italy,
Citation

Drioli E, Ali A, Macedonio F, Quist-Jensen CA (2015) Minerals, Energy and Water from the Sea: A New Strategy for Zero Liquid Discharge in Desalination. JSM Environ Sci Ecol 3(2): 1018.

INTRODUCTION

Conventional resources of water, raw materials and energy are under extremestress due to rapidly growing population and improved living standards.It has been estimated that more than one billion people on the earth don’t have access to the clean fresh water and further predictions indicate that two third of world population will be facing the shortage of freshwater by 2025[1]. Similarly, the speed of mineral extraction is higher than ever for their rapidly growing demand. Several key metals including gold, manganese, platinum, silver and zinc have already been declared as highly depleted in USA.The energy demands are approaching the new figures never observed before. Depletion of fossil fuels has been identified as future challenge. In this context, the finite resources of freshwater, raw materials and energy require implementation of sustainable practices in their exploitation and use.

Water, minerals and energy are interrelated and shortage of one influences practices applied in the other. For instance, the shortage of water in mining and energy sector has emerged as a newly realized challenge. The outlook of water shortage in future has constrained the mining industry to look towards alternative water resources and water production methods to meet their increasing demands. The mining industry in major mining countries has been forced by new regulations to use water only produced by the industry itself. These rules have compelled the mining industry to use desalination in order to protect the vulnerable fresh water resources and enhance sustainability in the mining sector [2]. The relation between these three effects raises the question on how long mineral production can be carried out at the speed of the required quantities/qualities at reasonable costs [3].

Although the overall volume of fresh water reservoirs might be enough to fulfill the current demand, unfortunately the distribution of these reservoirs does not match with population distribution across the globe.To address the shortage of freshwater, in many parts of the world, the dependence on seawater for industrial, drinking and household purposes has greatly increased. Traditionally thermal desalination has been the major applied technique. In many regions of the world conventional thermal desalination plants have been turned into membrane process due to 10-fold more energetically efficient than thermal options [4].Today, the membrane based desalination processes produce more water than thermal systems.Conventional pressure driven processes, however, face some challenges that need to be addressed, operation at high pressure and the disposal of brine being most significant obstacles that negatively affect the process economy and cause environmental problems.

Due to their high consumption rate, some elements are becoming increasingly scarce. An example of a future possible scarce element is lithium, which is interesting, in particular, for its increasing use in lithium-ion batteries for replacing the fuel dependent transportation system with electrical or hybrid electrical vehicles. Different studies discuss the availability of lithium sources in relation to whether the available lithium in future is able to meet the demand of lithium [5,6]. Lithium compounds are mainly being produced from brines and hardrock mining. Several drawbacks are attributed to the stateof-the-art lithium recovery such as low lithium grades, low recovery factors, complications in making new production sites or enlarging existing areas for salt lake brines. Furthermore the mining industry is harsh for the environment and associated with high level of pollution. Some drawbacks are also associated with the recovery of lithium from salt-lake brine such as contaminants and separation from compounds such as magnesium due to the similar ionic properties [7].

Recovery of components of interest from waste streams and exploitation of nontraditional sustainable resources are the fundamental keys to realize the objective of sustainable development. For instance, in addition to providing the immense source of freshwater, seawater contains most of the element present in periodic table. In addition to the other elements, extraction of lithium from seawater could be an interesting pathway to bridge the gap between demand and supply of this material in perspective as suggested in a recently launched Korean project Global MVP which investigates the lithium recovery by utilizing absorption and lithium battery technology. Research on recovery of lithium from seawater has mainly been focused towards manganese oxide based adsorbents [8]. Supported liquid membranes might also be a potential lithium extractor from seawater [9]. However, the main issue for these technologies is the extraction at the low concentration contained in seawater at efficient rate and reasonable economic expenses.

Due to their less energy intensive nature and excellent potential of separation and purification, membrane processes (standalone or integrated with conventional processes) may provide an interesting pathwayto recover valuable components from non-conventional sources. Recovery of strategic elements from seawater by using membrane operations may require the treatment of highly concentrated brine. With progress in membrane technology, new membranes operations are emerging offering the possibility to overcome the drawbacks of conventional membrane processes.For example, membrane distillation (MD) is a new membrane process based upon the vapor pressure gradient created across a microporous hydrophobic membrane. In contrast to RO which cannot be operated to go beyond a certain recovery factor, MD offers the possibility to concentrate the solutions to their saturation level. The combination of MD and well established operations for desalination offers highly interesting opportunities [10]. Actual experimental data suggests that, if MD is operated on RO retentate, the total amount of desalinated water represents almost 88% of the feed water. Additionally, the use of a Membrane Crystallization (MCr - an extension of MD concentration up to supersaturation) allows extracting not only the water but also the minerals contained in the brine streams. MCr offers some important advantages with respect to conventional crystallization processes such as: wellcontrolled nucleation and growth kinetics, fast crystallization rates and reduced induction time, membrane surface promoting heterogeneous nucleation and control of supersaturation level and rate, possibility to produce specific polymorphs [11]. The technical feasibility of recovering NaCl, MgSO4 and CaCO3 has been established at lab scale and further investigations for lithium and strontium recovery are in progress. In addition to MD, the application of forward osmosis (FO) may also become interesting in perspective to reduce the desalination cost even for challenging solutions. Similarly, the use of reverse electrodyalysis can become interesting for treatment of concentrated salt solutions. MD also offers the possibility to concentrate the draw solutions used for FO process applied for desalination and other similar objectives. The integration of pressure retarded osmosis or reverse electro-dialysis for energy production from salinity gradient, with further water production thanks to RO systems and metal salts concentration and crystallization from their brines might be a strategic intensified industrial sector in future time.

To address the challenges associated with the shortage of water, energy and raw materials, the process industry needs to be redesigned in accordance with guidelines of process intensification strategy (PIS). Modern membrane engineering represents one of the possible and the most interesting ways for developing processes coherent with PIS to meet the challenges of the modern world. Membrane engineering at present is providing interesting solutions to some of the major problems of our modern industrialized society for decreasing the energy consumption, resolving the environmental concerns and exploring the potential of many processes in a better and improved way. In food industry, the membrane operations are becoming of significant importance to concentrate the products and to treat the waste streams. For wastewater treatment, conventional activated sludge plants have been turned into membrane bioreactors due to their compactness (up to 5 times more compact than conventional plants), reduced sludge production and considerable level of physical disinfection. Similarly in energy sector, the innovative concepts such as pressure retarded osmosis and reverse electrodialysis are emerging to achieve the sustainability and to tackle the problem of CO2 emission.

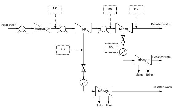
The concept of energy production and mineral recovery from desalination process opens an interesting gateway to reduce the overall cost of the process. Recent progresses in MD and MCr have well identified their potentialities. National and international programs have been also suggested for accelerating, on large pilot scale plants, the potentialities of this strategy. An example can be found in the European research project MEDINA [12], in the Megaton project in Japan and in the SEAHERO project in South Korea. MEDINA project aims to improve the membrane based desalination in terms of water quality, recovery factor, production cost and brine disposal impact by using integrated approach (Figure 1a).

Figure 1: Schematics for MEDINA (a) Mega-ton 

The objective of Mega-ton project is to develop environmental friendly, cheap and energy saving water treatment technologies. As shown in Figure 1(b),

Figure 1: Schematics for MEDINA (b) SEAHERO 

the project incorporates the use of better pretreatment techniques and pressure retarded osmosis (PRO) to reduce fouling and to harness energy, respectively. The basic concept of SEAHERO project shown in Figure1(c)

Figure 1: Schematics for MEDINA (c) projects

is the similar.In first part of the project; the emphasis has mainly been on increasing the desalination capacity while the second part addresses the brine disposal issues. Hybrid systems with membrane distillation and pressure retarded osmosis units are proposed for the extraction of valuable resources from the brine, the minimization of the environmental impact of the brine and the recovery of energy. Moreover, the SEAHERO project has suggested a hybrid system forward osmosis/reverse osmosis for increasing the recovery factor by 30 % and hereby reducing the brine volume in the same extend. This hybrid desalination process can minimize the energy consumption to less than 2.5 kWh/m3 and water price to 0.6 $/ton.

For successful commercial implementation of innovative membrane processes (MD/MCr and PRO) in these projects, several challenges have to be overcome. The membranes used for MD/MCr must exhibit and retain a strong hydrophobic character to avoid the wetting phenomenon that depreciates the process performance and product quality. Thermal polarization should be minimized to avoid the thermal losses associated with the process. Similarly, salt scaling occurring at the membrane surface and within the pores should be controlled by improving the process and membrane features. The fabrication of appropriate membrane module is another challenge that needs to be addressed [13]. Similar to MD, the availability of suitable membranes that allow the passage of water at adequate rateis a challenge. Internal concentration polarization (ICP) occurring in the support of layer of membrane limits remarkably water flux and associated power density. The new generation of cellulose acetate membranes originally developed for forward osmosis is capable to decrease ICP. The unavailability of robust and fouling resistant membranes with minimum internal concentration polarization and fouling tendency are the main obstacles for economical commercialization of PRO process.

To summarize the discussion, redesigning of process industry in accordance with guidelines of PIS is necessary to achieve sustainability in field of water, energy and raw materials. The use of less adopted techniques, practices and resources may become necessary in perspective to address the new challenges.In this scenario, membrane operations have an important role to play. However, successful and sustainable application of membrane operations for simultaneous recovery of freshwater, energy and mineral, several challenges have to be addressed. The availability of appropriate membranes for PRO, reverse electrodyalysis and MD/MCr is still challenging. Better control of membrane properties through improved manufacturing and new membrane materials has to be realized. The control of biofouling is necessary to ensure the long life time of membranes. Similarly, a better understanding of mass transport phenomenon and proper module design are crucial. The large scale experimental set-ups should be designed and operated to understand the challenges related with practical implementation of the technology.

REFERENCES
  1. Eckardt NA, Cominelli E, Galbiati M, Tonelli C. The future of science: food and water for life. Plant Cell. 2009; 21: 368-372.
  2. U.S. Embassy Mining & Energy Team, “Chile: Desalination Industry Overview.
  3. Bardi U. The mineral question: how energy and technology will determine the future of mining. Front. Energy Res. 2013; 24.
  4. Howell JA. Future of membranes and membrane reactors in green technologies and for water reuse,” Desalination. 2004; 64: 1-11.
  5. Mohr SH, Mudd G, Giurco D. Lithium Resources and Production: Critical Assessment and Global Projections.  Minerals. 2012; 2: 65-84.
  6. Vikström H, Davidsson S, Höök M. Lithium availability and future production outlooks. Appl. Energy. 2013; 110: 252-266.
  7. Grosjean C, Miranda PH, Perrin M, Poggi P. Assessment of world lithium resources and consequences of their geographic distribution on the expected development of the electric vehicle industry. Renew. Sustain. Energy Rev. 2012; 16: 1735–1744.
  8. Chitrakar R, Kanoh H, Miyai Y, Ooi K. Recovery of Lithium from Seawater Using Manganese Oxide Adsorbent ( H 1 . 6 Mn 1 . 6 O 4 ) Derived from Li 1 . 6 Mn 1 . 6 O 4. Ind. Eng. Chemi. 2001; 40: 2054–2058.
  9. Song J, Xue Mei Li, Zhang Y, Yin Y, Zhao B, Li C, et al. Hydrophilic nanoporous ion-exchange membranes as a stabilizing barrier for liquid–liquid membrane extraction of lithium ions. J. Memb. Sci. 2014; 471: 372-380.
  10. Creusen R, van Medevoort J, Roelands M, van Renesse van Duivenbode A, Hanemaaijer JH, van Leerdam R. Integrated membrane distillation–crystallization: Process design and cost estimations for seawater treatment and fluxes of single salt solutions.  Desalination. 2013; 323: 8-16.
  11. Curcio E, Criscuoli A, Drioli E. Membrane Crystallizers. Ind. Eng. Chem. Res. 2001; 40: 2679–2684.
  12. Drioli E, Criscuoli A, Macedonio F. Membrane-based Desalination: An Integrated Approach. 2011.
  13. Drioli E, Ali A, Macedonio F. Membrane distillation?: Recent developments and perspectives. Desalination. 2015; 356: 56–84.

Drioli E, Ali A, Macedonio F, Quist-Jensen CA (2015) Minerals, Energy and Water from the Sea: A New Strategy for Zero Liquid Discharge in Desalination. JSM Environ Sci Ecol 3(2): 1018.

Received : 30 Sep 2015
Accepted : 26 Oct 2015
Published : 28 Oct 2015
Journals
Annals of Otolaryngology and Rhinology
ISSN : 2379-948X
Launched : 2014
JSM Schizophrenia
Launched : 2016
Journal of Nausea
Launched : 2020
JSM Internal Medicine
Launched : 2016
JSM Hepatitis
Launched : 2016
JSM Oro Facial Surgeries
ISSN : 2578-3211
Launched : 2016
Journal of Human Nutrition and Food Science
ISSN : 2333-6706
Launched : 2013
JSM Regenerative Medicine and Bioengineering
ISSN : 2379-0490
Launched : 2013
JSM Spine
ISSN : 2578-3181
Launched : 2016
Archives of Palliative Care
ISSN : 2573-1165
Launched : 2016
JSM Nutritional Disorders
ISSN : 2578-3203
Launched : 2017
Annals of Neurodegenerative Disorders
ISSN : 2476-2032
Launched : 2016
Journal of Fever
ISSN : 2641-7782
Launched : 2017
JSM Bone Marrow Research
ISSN : 2578-3351
Launched : 2016
JSM Mathematics and Statistics
ISSN : 2578-3173
Launched : 2014
Journal of Autoimmunity and Research
ISSN : 2573-1173
Launched : 2014
JSM Arthritis
ISSN : 2475-9155
Launched : 2016
JSM Head and Neck Cancer-Cases and Reviews
ISSN : 2573-1610
Launched : 2016
JSM General Surgery Cases and Images
ISSN : 2573-1564
Launched : 2016
JSM Anatomy and Physiology
ISSN : 2573-1262
Launched : 2016
JSM Dental Surgery
ISSN : 2573-1548
Launched : 2016
Annals of Emergency Surgery
ISSN : 2573-1017
Launched : 2016
Annals of Mens Health and Wellness
ISSN : 2641-7707
Launched : 2017
Journal of Preventive Medicine and Health Care
ISSN : 2576-0084
Launched : 2018
Journal of Chronic Diseases and Management
ISSN : 2573-1300
Launched : 2016
Annals of Vaccines and Immunization
ISSN : 2378-9379
Launched : 2014
JSM Heart Surgery Cases and Images
ISSN : 2578-3157
Launched : 2016
Annals of Reproductive Medicine and Treatment
ISSN : 2573-1092
Launched : 2016
JSM Brain Science
ISSN : 2573-1289
Launched : 2016
JSM Biomarkers
ISSN : 2578-3815
Launched : 2014
JSM Biology
ISSN : 2475-9392
Launched : 2016
Archives of Stem Cell and Research
ISSN : 2578-3580
Launched : 2014
Annals of Clinical and Medical Microbiology
ISSN : 2578-3629
Launched : 2014
JSM Pediatric Surgery
ISSN : 2578-3149
Launched : 2017
Journal of Memory Disorder and Rehabilitation
ISSN : 2578-319X
Launched : 2016
JSM Tropical Medicine and Research
ISSN : 2578-3165
Launched : 2016
JSM Head and Face Medicine
ISSN : 2578-3793
Launched : 2016
JSM Cardiothoracic Surgery
ISSN : 2573-1297
Launched : 2016
JSM Bone and Joint Diseases
ISSN : 2578-3351
Launched : 2017
JSM Bioavailability and Bioequivalence
ISSN : 2641-7812
Launched : 2017
JSM Atherosclerosis
ISSN : 2573-1270
Launched : 2016
Journal of Genitourinary Disorders
ISSN : 2641-7790
Launched : 2017
Journal of Fractures and Sprains
ISSN : 2578-3831
Launched : 2016
Journal of Autism and Epilepsy
ISSN : 2641-7774
Launched : 2016
Annals of Marine Biology and Research
ISSN : 2573-105X
Launched : 2014
JSM Health Education & Primary Health Care
ISSN : 2578-3777
Launched : 2016
JSM Communication Disorders
ISSN : 2578-3807
Launched : 2016
Annals of Musculoskeletal Disorders
ISSN : 2578-3599
Launched : 2016
Annals of Virology and Research
ISSN : 2573-1122
Launched : 2014
JSM Renal Medicine
ISSN : 2573-1637
Launched : 2016
Journal of Muscle Health
ISSN : 2578-3823
Launched : 2016
JSM Genetics and Genomics
ISSN : 2334-1823
Launched : 2013
JSM Anxiety and Depression
ISSN : 2475-9139
Launched : 2016
Clinical Journal of Heart Diseases
ISSN : 2641-7766
Launched : 2016
Annals of Medicinal Chemistry and Research
ISSN : 2378-9336
Launched : 2014
JSM Pain and Management
ISSN : 2578-3378
Launched : 2016
JSM Women's Health
ISSN : 2578-3696
Launched : 2016
Clinical Research in HIV or AIDS
ISSN : 2374-0094
Launched : 2013
Journal of Endocrinology, Diabetes and Obesity
ISSN : 2333-6692
Launched : 2013
Journal of Substance Abuse and Alcoholism
ISSN : 2373-9363
Launched : 2013
JSM Neurosurgery and Spine
ISSN : 2373-9479
Launched : 2013
Journal of Liver and Clinical Research
ISSN : 2379-0830
Launched : 2014
Journal of Drug Design and Research
ISSN : 2379-089X
Launched : 2014
JSM Clinical Oncology and Research
ISSN : 2373-938X
Launched : 2013
JSM Bioinformatics, Genomics and Proteomics
ISSN : 2576-1102
Launched : 2014
JSM Chemistry
ISSN : 2334-1831
Launched : 2013
Journal of Trauma and Care
ISSN : 2573-1246
Launched : 2014
JSM Surgical Oncology and Research
ISSN : 2578-3688
Launched : 2016
Annals of Food Processing and Preservation
ISSN : 2573-1033
Launched : 2016
Journal of Radiology and Radiation Therapy
ISSN : 2333-7095
Launched : 2013
JSM Physical Medicine and Rehabilitation
ISSN : 2578-3572
Launched : 2016
Annals of Clinical Pathology
ISSN : 2373-9282
Launched : 2013
Annals of Cardiovascular Diseases
ISSN : 2641-7731
Launched : 2016
Journal of Behavior
ISSN : 2576-0076
Launched : 2016
Annals of Clinical and Experimental Metabolism
ISSN : 2572-2492
Launched : 2016
Clinical Research in Infectious Diseases
ISSN : 2379-0636
Launched : 2013
JSM Microbiology
ISSN : 2333-6455
Launched : 2013
Journal of Urology and Research
ISSN : 2379-951X
Launched : 2014
Journal of Family Medicine and Community Health
ISSN : 2379-0547
Launched : 2013
Annals of Pregnancy and Care
ISSN : 2578-336X
Launched : 2017
JSM Cell and Developmental Biology
ISSN : 2379-061X
Launched : 2013
Annals of Aquaculture and Research
ISSN : 2379-0881
Launched : 2014
Clinical Research in Pulmonology
ISSN : 2333-6625
Launched : 2013
Journal of Immunology and Clinical Research
ISSN : 2333-6714
Launched : 2013
Annals of Forensic Research and Analysis
ISSN : 2378-9476
Launched : 2014
JSM Biochemistry and Molecular Biology
ISSN : 2333-7109
Launched : 2013
Annals of Breast Cancer Research
ISSN : 2641-7685
Launched : 2016
Annals of Gerontology and Geriatric Research
ISSN : 2378-9409
Launched : 2014
Journal of Sleep Medicine and Disorders
ISSN : 2379-0822
Launched : 2014
JSM Burns and Trauma
ISSN : 2475-9406
Launched : 2016
Chemical Engineering and Process Techniques
ISSN : 2333-6633
Launched : 2013
Annals of Clinical Cytology and Pathology
ISSN : 2475-9430
Launched : 2014
JSM Allergy and Asthma
ISSN : 2573-1254
Launched : 2016
Journal of Neurological Disorders and Stroke
ISSN : 2334-2307
Launched : 2013
Annals of Sports Medicine and Research
ISSN : 2379-0571
Launched : 2014
JSM Sexual Medicine
ISSN : 2578-3718
Launched : 2016
Annals of Vascular Medicine and Research
ISSN : 2378-9344
Launched : 2014
JSM Biotechnology and Biomedical Engineering
ISSN : 2333-7117
Launched : 2013
Journal of Hematology and Transfusion
ISSN : 2333-6684
Launched : 2013
Journal of Cardiology and Clinical Research
ISSN : 2333-6676
Launched : 2013
JSM Nanotechnology and Nanomedicine
ISSN : 2334-1815
Launched : 2013
Journal of Ear, Nose and Throat Disorders
ISSN : 2475-9473
Launched : 2016
JSM Ophthalmology
ISSN : 2333-6447
Launched : 2013
Journal of Pharmacology and Clinical Toxicology
ISSN : 2333-7079
Launched : 2013
Annals of Psychiatry and Mental Health
ISSN : 2374-0124
Launched : 2013
Medical Journal of Obstetrics and Gynecology
ISSN : 2333-6439
Launched : 2013
Annals of Pediatrics and Child Health
ISSN : 2373-9312
Launched : 2013
JSM Clinical Pharmaceutics
ISSN : 2379-9498
Launched : 2014
JSM Foot and Ankle
ISSN : 2475-9112
Launched : 2016
JSM Alzheimer's Disease and Related Dementia
ISSN : 2378-9565
Launched : 2014
Journal of Addiction Medicine and Therapy
ISSN : 2333-665X
Launched : 2013
Journal of Veterinary Medicine and Research
ISSN : 2378-931X
Launched : 2013
Annals of Public Health and Research
ISSN : 2378-9328
Launched : 2014
Annals of Orthopedics and Rheumatology
ISSN : 2373-9290
Launched : 2013
Journal of Clinical Nephrology and Research
ISSN : 2379-0652
Launched : 2014
Annals of Community Medicine and Practice
ISSN : 2475-9465
Launched : 2014
Annals of Biometrics and Biostatistics
ISSN : 2374-0116
Launched : 2013
JSM Clinical Case Reports
ISSN : 2373-9819
Launched : 2013
Journal of Cancer Biology and Research
ISSN : 2373-9436
Launched : 2013
Journal of Surgery and Transplantation Science
ISSN : 2379-0911
Launched : 2013
Journal of Dermatology and Clinical Research
ISSN : 2373-9371
Launched : 2013
JSM Gastroenterology and Hepatology
ISSN : 2373-9487
Launched : 2013
Annals of Nursing and Practice
ISSN : 2379-9501
Launched : 2014
JSM Dentistry
ISSN : 2333-7133
Launched : 2013
Author Information X